0577-62715977
現在的高壓戶內外真空斷路器大部分是彈簧操作安排,也有永磁操作安排。彈簧操作安排得儲能使經過一個帶棘輪的齒輪傳動來拉開彈簧,使彈簧蓄能并經過合閘觸發釋能,經過傳動部分是真空滅弧室上下觸頭分隔完畢分閘。分閘則是經過在合閘時壓縮得分閘簧,經過釋能完畢的。合分閘室經過翻滾半軸來完畢動作靈敏釋能。電氣合分時經過電信號,使電磁線圈動作碰擊來翻滾半軸。
在高壓戶內外真空斷路器使用時需求了解高壓戶內外真空斷路器分合閘的作業原理流程詳解:
1、電機回路,主要是儲能給合閘供給能量的;
2、合閘回路是用來合閘的;
3、分閘回路用來分閘;
4、防跳電磁鐵回路主要是防止合閘后合閘開關未斷開,當發生事端時跳閘后又合閘,形成跳躍式分合閘,發生危險;
5、輔佐回路是供給輔佐觸點的;
6、閉鎖回路用于兩臺以上斷路器的連鎖;
其他輔佐觸點 電機儲能點 用于聯接電機儲能指示燈 實驗方位和作業方位微動開關 供給方位信號的。
高壓戶內外真空斷路器的基本結構
以下面高壓戶內外真空斷路器為例,闡明其結構與作業原理。
斷路器本體結構如圖一:
斷路器本體部分由導電回路,絕緣系統,密封件和殼體組成。整體結構為三相共箱式。其間導電回路由進出線導電桿,進出線絕緣支座,導電夾,軟聯接與真空滅弧室聯接而成。
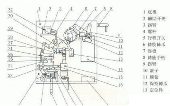
操作安排如圖二:

此安排為電動儲能,電動分合閘,一起具有手動功用。整個結構由合閘彈簧,儲能系統,過流脫扣器,分合閘線圈,手動分合閘系統,輔佐開關,儲能指示等部件組成。
高壓戶內外真空斷路器利用高真空中電流流過零點時,等離子體敏捷分散而平息電弧,完畢堵截電流的意圖。
動作原理
儲能進程:當儲能電機 14接通電源時,電機帶動偏疼輪翻滾,經過緊靠在偏疼輪上的滾子10帶動拐臂9及連板7搖擺,推動儲能棘爪6搖擺,使棘輪11翻滾,當棘輪11上的銷與儲能軸套32的板靠住往后,二者一起運動,使掛在儲能軸套上32上的合閘彈簧21拉長。儲能軸套32由定位銷13固定,堅持儲能情況,一起,儲能軸套32上的拐臂推動行程開關5堵截儲能電機14的電源,并且儲能棘爪被抬起,與棘輪牢靠脫離。
合閘操作進程:當安排接到合閘信號后(開關處于斷開,已儲能情況),合閘電磁鐵 15的鐵心被吸向下運動,拉動定位件13向逆時針方向翻滾,革除儲能堅持,合閘彈簧21帶動儲能軸套32逆時針方向翻滾,其凸輪壓動傳動軸套 30,帶動連板29及搖臂27運動,使搖臂27扣住半軸25,使安排處于合閘情況。此刻,連鎖設備28鎖住定位件,使定位牛不能逆時針方向翻滾,到達安排聯銷的意圖,保證了安排在合閘方位不能合閘操作。
分閘操作進程:斷路器合閘后,分閘電磁鐵接到信號,鐵芯吸合,分閘脫扣器 19中的頂桿向上運動,使脫扣軸16翻滾,帶動頂桿18向上運動,頂動彎板26并帶動半軸25向反時針方向翻滾。半軸25與搖臂27解扣,在分閘彈簧的效果下,斷路器完畢分閘操作。